NNC67H
CLION
| Stato di disponibilità: | |
|---|---|
| Quantità: | |
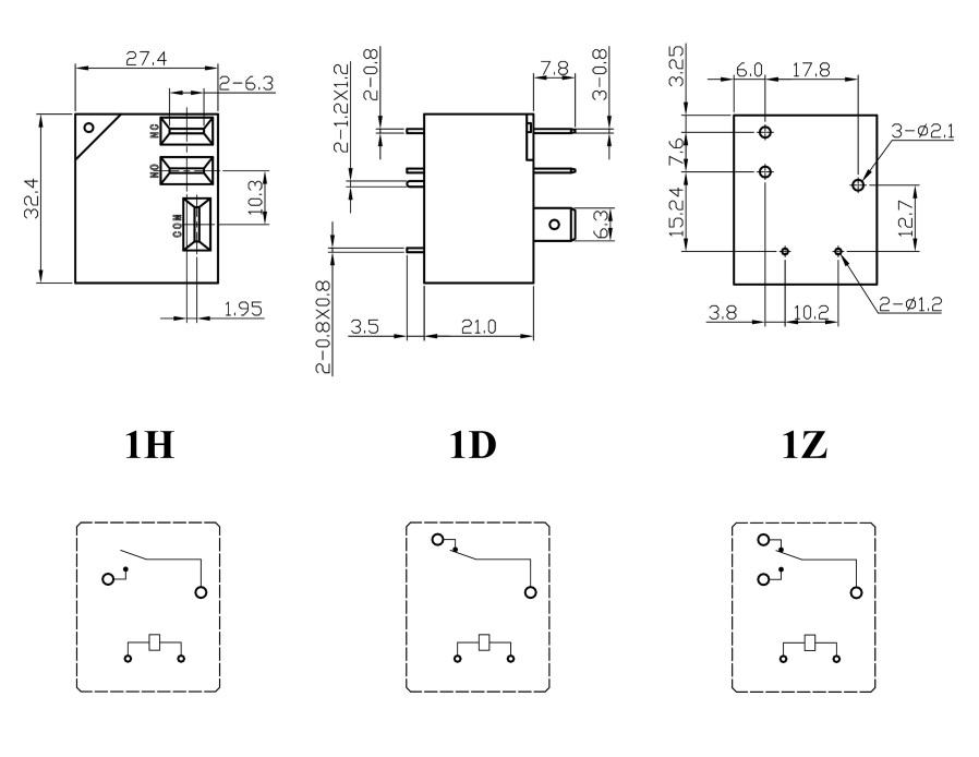
La serie NNC67H è una linea di relè ad alta potenza in miniatura che combinano il design compatto con la capacità di gestire carichi elettrici sostanziali. Questi relè sono progettati per applicazioni che richiedono solide capacità di commutazione e sono adatti all'integrazione in una varietà di sistemi elettronici e industriali.
Caratteristiche del prodotto:
Dimensioni in miniatura: la serie NNC67H presenta un design compatto che conserva lo spazio fornendo al contempo un cambio di alimentazione ad alta potenza.
Terminali PCB e connessione rapida: dotati di terminali PCB e di connessione rapida, facilitando l'installazione facile e sicura.
Elevata capacità di commutazione: in grado di gestire fino a 40A, questi relè sono progettati per applicazioni con elevate richieste attuali.
Compatibilità della bobina AC/DC: adatto per le tensioni della bobina AC e DC, offrendo flessibilità per diversi requisiti di alimentazione.
Conformità normativa: aderisce agli standard ROHS per la sicurezza ambientale ed è certificato da TUV, UL, CE e CQC per la qualità e l'affidabilità.
Vantaggi del prodotto:
Moduli di contatto personalizzabili: disponibili in vari moduli di contatto come ZC (CO), HA (NO) e DB (NC) per soddisfare le esigenze di commutazione specifiche.
Ampia gamma di tensione: compatibile con una vasta gamma di tensioni di bobina da DC 3V a 110 V e AC 6V a 240 V, garantendo l'adattabilità tra diversi sistemi.
Personalizzazione del codice speciale: offre l'opzione per i requisiti specifici del cliente, consentendo soluzioni su misura.
Materiale di contatto premium: utilizza la lega AG (Agsno2; AGCDO) per conducibilità elettrica e durata superiori.
Elevata resistenza meccanica ed elettrica: costruita per durare con un minimo di operazioni meccaniche 1x10^7 e operazioni elettriche 1x10^5.
Consumo di energia della bobina efficiente: con un basso consumo di energia della bobina da 0,93W a 1,5 VA, questi relè sono efficienti dal punto di vista energetico.
Resistenza dielettrica robusta: fornisce un'elevata resistenza all'isolamento e resistenza dielettrica per un funzionamento affidabile in condizioni impegnative.
Resilienza ambientale: progettata per funzionare efficacemente in una vasta gamma di temperature ambiente e livelli di umidità.
Conclusione:
I relè ad alta potenza in miniatura della serie NNC67H sono progettati per l'eccellenza nelle applicazioni di commutazione ad alta corrente. Con la loro combinazione di dimensioni compatte, gestione ad alta potenza e costruzione robusta, questi relè offrono una soluzione affidabile ed efficiente per un ampio spettro di esigenze elettroniche e industriali.
La serie NNC67H è una linea di relè ad alta potenza in miniatura che combinano il design compatto con la capacità di gestire carichi elettrici sostanziali. Questi relè sono progettati per applicazioni che richiedono solide capacità di commutazione e sono adatti all'integrazione in una varietà di sistemi elettronici e industriali.
Caratteristiche del prodotto:
Dimensioni in miniatura: la serie NNC67H presenta un design compatto che conserva lo spazio fornendo al contempo un cambio di alimentazione ad alta potenza.
Terminali PCB e connessione rapida: dotati di terminali PCB e di connessione rapida, facilitando l'installazione facile e sicura.
Elevata capacità di commutazione: in grado di gestire fino a 40A, questi relè sono progettati per applicazioni con elevate richieste attuali.
Compatibilità della bobina AC/DC: adatto per le tensioni della bobina AC e DC, offrendo flessibilità per diversi requisiti di alimentazione.
Conformità normativa: aderisce agli standard ROHS per la sicurezza ambientale ed è certificato da TUV, UL, CE e CQC per la qualità e l'affidabilità.
Vantaggi del prodotto:
Moduli di contatto personalizzabili: disponibili in vari moduli di contatto come ZC (CO), HA (NO) e DB (NC) per soddisfare le esigenze di commutazione specifiche.
Ampia gamma di tensione: compatibile con una vasta gamma di tensioni di bobina da DC 3V a 110 V e AC 6V a 240 V, garantendo l'adattabilità tra diversi sistemi.
Personalizzazione del codice speciale: offre l'opzione per i requisiti specifici del cliente, consentendo soluzioni su misura.
Materiale di contatto premium: utilizza la lega AG (Agsno2; AGCDO) per conducibilità elettrica e durata superiori.
Elevata resistenza meccanica ed elettrica: costruita per durare con un minimo di operazioni meccaniche 1x10^7 e operazioni elettriche 1x10^5.
Consumo di energia della bobina efficiente: con un basso consumo di energia della bobina da 0,93W a 1,5 VA, questi relè sono efficienti dal punto di vista energetico.
Resistenza dielettrica robusta: fornisce un'elevata resistenza all'isolamento e resistenza dielettrica per un funzionamento affidabile in condizioni impegnative.
Resilienza ambientale: progettata per funzionare efficacemente in una vasta gamma di temperature ambiente e livelli di umidità.
Conclusione:
I relè ad alta potenza in miniatura della serie NNC67H sono progettati per l'eccellenza nelle applicazioni di commutazione ad alta corrente. Con la loro combinazione di dimensioni compatte, gestione ad alta potenza e costruzione robusta, questi relè offrono una soluzione affidabile ed efficiente per un ampio spettro di esigenze elettroniche e industriali.