NNG1C-1/032F-120(SSR-DA)
CLION
| Stato di disponibilità: | |
|---|---|
| Quantità: | |
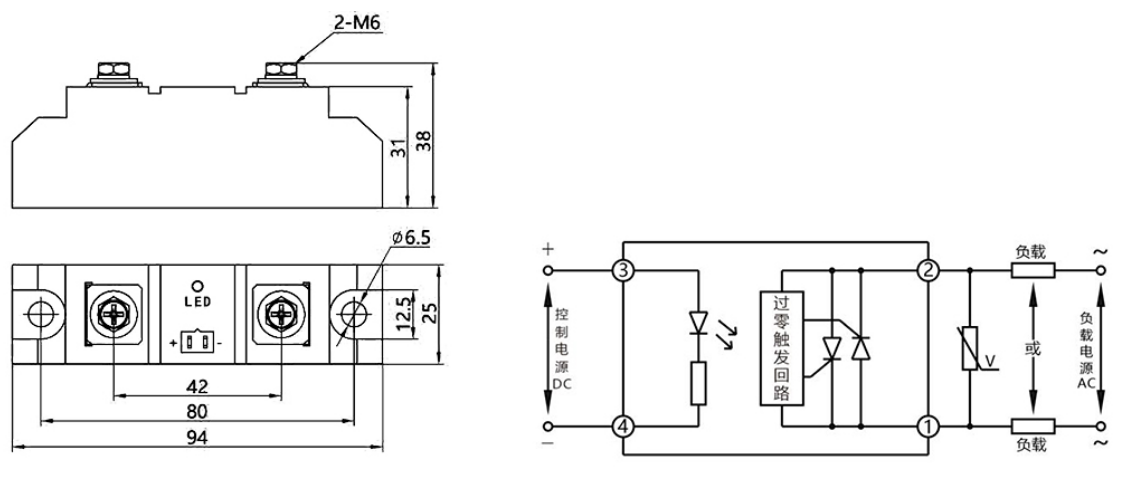
Il relè a stato solido NNG1C-1/032F-120 è un relè di livello industriale progettato con una configurazione di ingresso CC e uscita CA. La sua tecnologia a stato solido all'avanguardia garantisce elevata affidabilità, tempi di risposta rapidi e commutazione senza contatto, rendendolo un componente essenziale nei moderni sistemi di automazione industriale. Questo relè ha guadagnato una popolarità diffusa per la sua durata, efficienza e capacità di soddisfare diverse esigenze applicative.
Fondamentalmente, un relè a stato solido funziona come un interruttore elettronico senza contatto alimentato da dispositivi a semiconduttore. Quando viene ricevuto un segnale di controllo, il relè trasferisce il segnale all'uscita tramite isolamento optoelettronico. Questo design elimina i contatti meccanici, evitando problemi come l'usura e il rimbalzo comunemente riscontrati nei relè elettromagnetici tradizionali.
Il risultato è un relè con una durata utile significativamente più lunga e velocità di risposta molte volte più veloci rispetto ai relè convenzionali, ideale per soddisfare le crescenti esigenze dell'automazione industriale.
Versatilità di ingresso CC e uscita CA
NNG1C-1/032F-120 supporta ingressi di tensione CC e uscite di tensione CA, garantendo la compatibilità con diversi ambienti di alimentazione. L'ampio intervallo di controllo della tensione si adatta perfettamente ai diversi requisiti di controllo.
Design ad alta efficienza energetica
Costruito pensando all'efficienza energetica, questo relè consuma solo 5–25 mA fornendo allo stesso tempo capacità di risposta ad alta velocità. Si allinea ai moderni obiettivi di sostenibilità senza compromettere le prestazioni.
Isolamento e sicurezza superiori
L'alloggiamento del relè presenta robuste proprietà di isolamento, garantendo un funzionamento sicuro e affidabile in ambienti industriali e residenziali.
Adattabilità alle condizioni ambientali
Progettato per funzionare in condizioni di temperatura estreme, questo relè offre un funzionamento affidabile in climi diversi, soddisfacendo i clienti in varie regioni.
IL Relè a stato solido NNG1C-1/032F-120 è versatile e ampiamente utilizzato nei seguenti campi:
Sistemi di controllo luci di segnalazione e flicker
Illuminazione e attrezzature sceniche
Strumenti e contatori
Dispositivi medici
Attrezzature per ufficio come duplicatori
Lavatrici automatiche
Sistemi antincendio e di sicurezza
Sistemi di rete elettrica per la compensazione del fattore di potenza
Questo relè combina tecnologia avanzata, efficienza energetica e prestazioni robuste per soddisfare le esigenze dell'automazione industriale e delle applicazioni di consumo. Grazie al suo funzionamento affidabile, alle funzionalità di sicurezza avanzate e all'adattabilità agli ambienti difficili, è la scelta ideale per un'ampia gamma di settori.
Il relè a stato solido NNG1C-1/032F-120 è un relè di livello industriale progettato con una configurazione di ingresso CC e uscita CA. La sua tecnologia a stato solido all'avanguardia garantisce elevata affidabilità, tempi di risposta rapidi e commutazione senza contatto, rendendolo un componente essenziale nei moderni sistemi di automazione industriale. Questo relè ha guadagnato una popolarità diffusa per la sua durata, efficienza e capacità di soddisfare diverse esigenze applicative.
Fondamentalmente, un relè a stato solido funziona come un interruttore elettronico senza contatto alimentato da dispositivi a semiconduttore. Quando viene ricevuto un segnale di controllo, il relè trasferisce il segnale all'uscita tramite isolamento optoelettronico. Questo design elimina i contatti meccanici, evitando problemi come l'usura e il rimbalzo comunemente riscontrati nei relè elettromagnetici tradizionali.
Il risultato è un relè con una durata utile significativamente più lunga e velocità di risposta molte volte più veloci rispetto ai relè convenzionali, ideale per soddisfare le crescenti esigenze dell'automazione industriale.
Versatilità di ingresso CC e uscita CA
NNG1C-1/032F-120 supporta ingressi di tensione CC e uscite di tensione CA, garantendo la compatibilità con diversi ambienti di alimentazione. L'ampio intervallo di controllo della tensione si adatta perfettamente ai diversi requisiti di controllo.
Design ad alta efficienza energetica
Costruito pensando all'efficienza energetica, questo relè consuma solo 5–25 mA fornendo allo stesso tempo capacità di risposta ad alta velocità. Si allinea ai moderni obiettivi di sostenibilità senza compromettere le prestazioni.
Isolamento e sicurezza superiori
L'alloggiamento del relè presenta robuste proprietà di isolamento, garantendo un funzionamento sicuro e affidabile in ambienti industriali e residenziali.
Adattabilità alle condizioni ambientali
Progettato per funzionare in condizioni di temperatura estreme, questo relè offre un funzionamento affidabile in climi diversi, soddisfacendo i clienti in varie regioni.
IL Relè a stato solido NNG1C-1/032F-120 è versatile e ampiamente utilizzato nei seguenti campi:
Sistemi di controllo luci di segnalazione e flicker
Illuminazione e attrezzature sceniche
Strumenti e contatori
Dispositivi medici
Attrezzature per ufficio come duplicatori
Lavatrici automatiche
Sistemi antincendio e di sicurezza
Sistemi di rete elettrica per la compensazione del fattore di potenza
Questo relè combina tecnologia avanzata, efficienza energetica e prestazioni robuste per soddisfare le esigenze dell'automazione industriale e delle applicazioni di consumo. Grazie al suo funzionamento affidabile, alle funzionalità di sicurezza avanzate e all'adattabilità agli ambienti difficili, è la scelta ideale per un'ampia gamma di settori.