Microinterruttore NV
CLION
| Stato di disponibilità: | |
|---|---|
| Quantità: | |
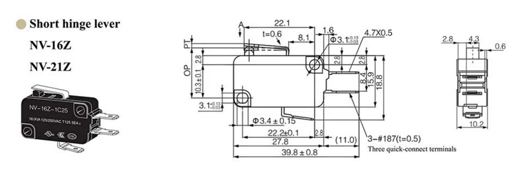
Il microinterruttore NV-16Z è un microinterruttore versatile e ad alte prestazioni che offre un'ampia gamma di caratteristiche e capacità.Con una corrente di commutazione fino a 21 A, è in grado di gestire carichi elevati e fornire prestazioni affidabili in varie applicazioni.
Il microinterruttore funziona in base a un principio semplice ma efficace.È costituito da un meccanismo a leva caricato a molla che viene azionato da una piccola forza.Quando la leva viene spinta o rilasciata, attiva l'apertura o la chiusura dei contatti dell'interruttore, completando o interrompendo così un circuito elettrico.Questo meccanismo garantisce un'azione di commutazione precisa e affidabile.
Una delle caratteristiche principali del microinterruttore NV-16Z è la sua elevata affidabilità.È progettato per resistere a condizioni operative rigorose e fornire prestazioni costanti per un periodo prolungato.Ciò lo rende adatto per applicazioni che richiedono affidabilità a lungo termine, come macchinari industriali, sistemi automobilistici ed elettrodomestici.
Il design della leva a cerniera del microinterruttore NV-16Z consente un azionamento e un controllo precisi.Garantisce che l'interruttore venga attivato con precisione, rendendolo adatto per applicazioni in cui è richiesto un posizionamento o un feedback preciso.Questa funzionalità trova applicazioni nella robotica, nei sistemi di controllo e nei dispositivi di sicurezza.
La sensibilità del microinterruttore NV-16Z gli consente di rispondere anche alla minima forza o pressione.Ciò lo rende ideale per applicazioni che richiedono operazioni delicate, come apparecchiature mediche, dispositivi elettronici e strumentazione.
Inoltre, il microinterruttore NV-16Z è noto per la sua lunga durata.È costruito con materiali durevoli e viene sottoposto a test rigorosi per garantirne la longevità.Ciò lo rende una scelta economicamente vantaggiosa, poiché riduce la necessità di frequenti sostituzioni e manutenzioni.
In sintesi, il microinterruttore NV-16Z è un componente affidabile e versatile che offre elevata corrente di commutazione, affidabilità, design della leva a cerniera, sensibilità e lunga durata.Il suo principio di funzionamento, combinato con le sue caratteristiche, lo rende adatto a un'ampia gamma di applicazioni, tra cui macchinari industriali, sistemi automobilistici, robotica, apparecchiature mediche e altro ancora.Scegli il microinterruttore NV-16Z per prestazioni affidabili ed efficienti nelle tue applicazioni.
Il microinterruttore NV-16Z è un microinterruttore versatile e ad alte prestazioni che offre un'ampia gamma di caratteristiche e capacità.Con una corrente di commutazione fino a 21 A, è in grado di gestire carichi elevati e fornire prestazioni affidabili in varie applicazioni.
Il microinterruttore funziona in base a un principio semplice ma efficace.È costituito da un meccanismo a leva caricato a molla che viene azionato da una piccola forza.Quando la leva viene spinta o rilasciata, attiva l'apertura o la chiusura dei contatti dell'interruttore, completando o interrompendo così un circuito elettrico.Questo meccanismo garantisce un'azione di commutazione precisa e affidabile.
Una delle caratteristiche principali del microinterruttore NV-16Z è la sua elevata affidabilità.È progettato per resistere a condizioni operative rigorose e fornire prestazioni costanti per un periodo prolungato.Ciò lo rende adatto per applicazioni che richiedono affidabilità a lungo termine, come macchinari industriali, sistemi automobilistici ed elettrodomestici.
Il design della leva a cerniera del microinterruttore NV-16Z consente un azionamento e un controllo precisi.Garantisce che l'interruttore venga attivato con precisione, rendendolo adatto per applicazioni in cui è richiesto un posizionamento o un feedback preciso.Questa funzionalità trova applicazioni nella robotica, nei sistemi di controllo e nei dispositivi di sicurezza.
La sensibilità del microinterruttore NV-16Z gli consente di rispondere anche alla minima forza o pressione.Ciò lo rende ideale per applicazioni che richiedono operazioni delicate, come apparecchiature mediche, dispositivi elettronici e strumentazione.
Inoltre, il microinterruttore NV-16Z è noto per la sua lunga durata.È costruito con materiali durevoli e viene sottoposto a test rigorosi per garantirne la longevità.Ciò lo rende una scelta economicamente vantaggiosa, poiché riduce la necessità di frequenti sostituzioni e manutenzioni.
In sintesi, il microinterruttore NV-16Z è un componente affidabile e versatile che offre elevata corrente di commutazione, affidabilità, design della leva a cerniera, sensibilità e lunga durata.Il suo principio di funzionamento, combinato con le sue caratteristiche, lo rende adatto a un'ampia gamma di applicazioni, tra cui macchinari industriali, sistemi automobilistici, robotica, apparecchiature mediche e altro ancora.Scegli il microinterruttore NV-16Z per prestazioni affidabili ed efficienti nelle tue applicazioni.